概述:
XMT-6000系列数字显示温度控制器是在8000型仪表基础上开发的经济型数显温度控制器。该系列采用单片机技术、SMT表面贴装技术、PID自整定算法、电磁兼容性设计等相关技术与工艺。
特点:
(1) 插入深度105mm,,面框尺寸符合IEC标准。
(2) 采用接线端子直接与线路焊接的连接方式、大功率输出接线可靠。
(3) 采用SMT工艺,PID自整定算法、软硬件综合电磁兼容性设计等相关技术与工艺。
(4) 曾经荣获“1999年度上海市科技成果”、“1999年度上海市新产品”称号。
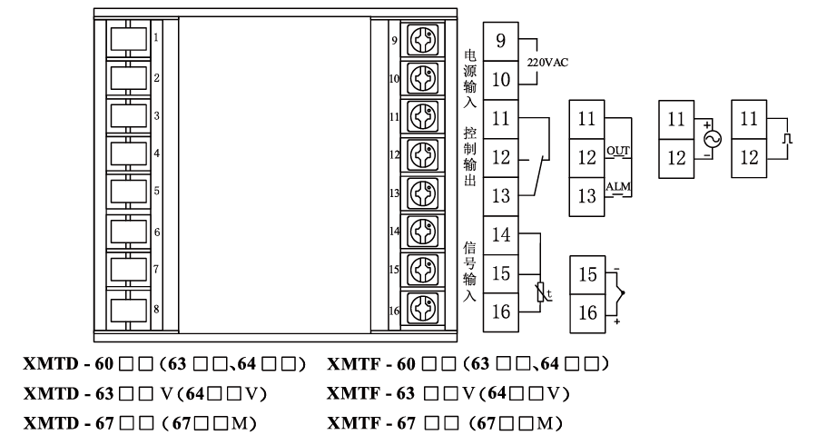
型谱:
控制面板:
接线端子:




