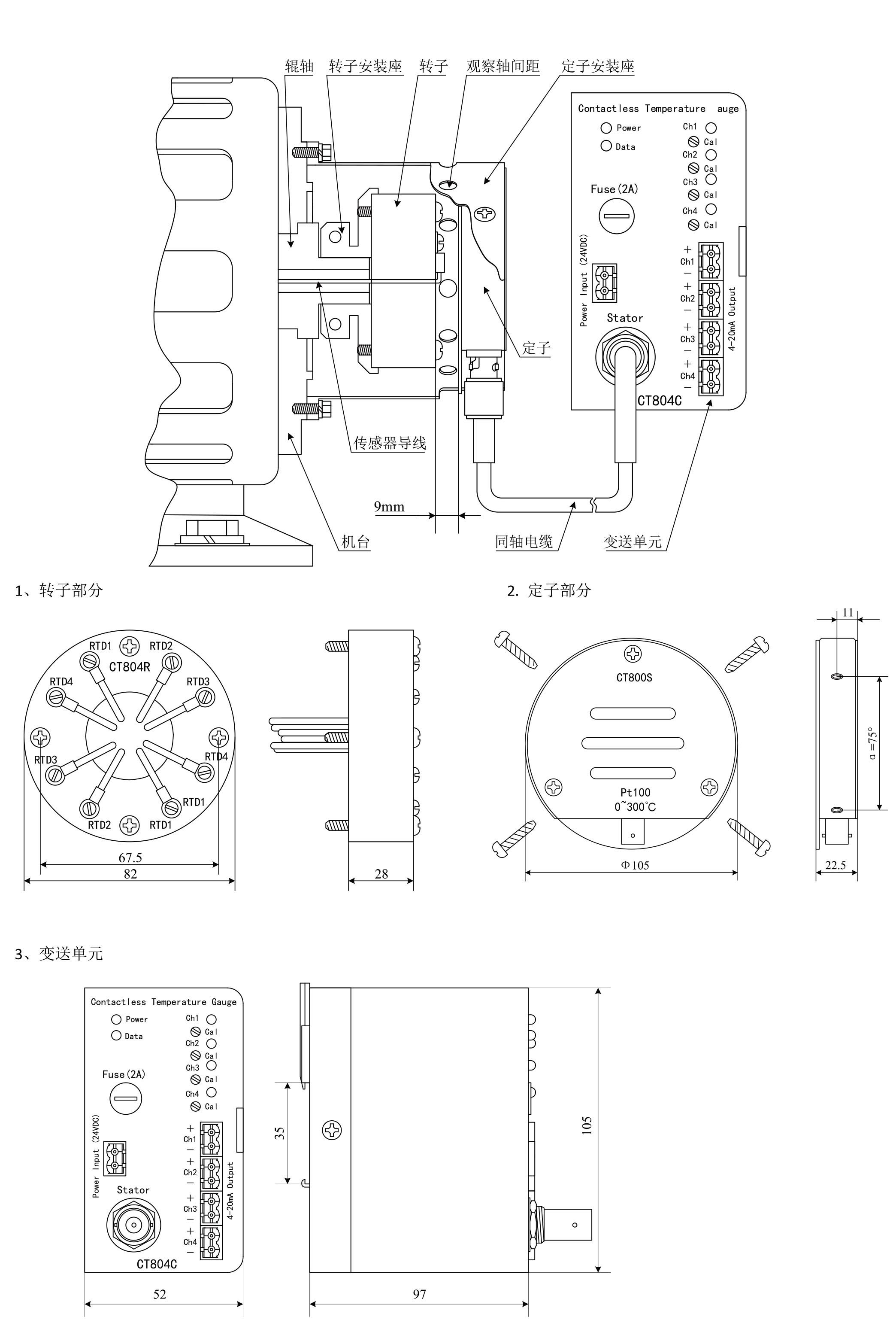
概述:
CT800 温度变送系统是一个热辊温度监测系统,它将Pt100温度传感器嵌入于热辊转子的外壳中,并连接到本系统的转子部分上;转子部分接受定子所发射的能量,并将温度信号经模-数转换后发射到定子部分上;定子部分经同轴电缆连接到变送单元,变送单元再经数-模转换后转变成4~20mA的标准信号。它采用数字化传输和数字控制接口回路技术,具有较强的抗干扰能力和较低的温度飘移。在转子部分和定子部分之间有一个9mm的工作距离,避免了摩擦和碰撞,变送单元安装在电器柜内,远离了现场脏乱高温的工作环境。
特点:
(1) 将转子完全包裹(最大限度地减少外部干扰);
(2) 0~300℃测量范围(使用Pt100热电阻传感器);
(3) 高精度(最大误差0.3℃)和高稳定性;
(4) 由环境温度变化所引起的漂移极小;
(5) 基于数字化的传感器数据输入和信号输出;
(6) 可以调整1~4个测温区;
(7) 监测回路和系统状态指示明确;
(8) 5秒内的自动校准;
(9) 智能的故障反映模式。
安装示意图:

