概述:
CH系列智能数字显示温度控制器是具有自整定功能的智能型仪表。该系列温控仪的单片机为控制中心、采用SMT表面贴片技术、开关电源、双通道控制参数自整定算法、电磁兼容性设计等相关技术与工艺。
特点:
(1) 采用大显示屏。
(2) 采用金属弹片的前插式装配结构,仪表互换方便。
(3) 采用SMT工艺,开关电源,双通道PID自整定算法、软硬件综合电磁兼容性设计等相关技术与工艺。
型谱:
控制面板:
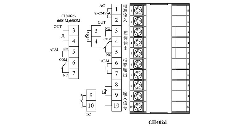
接线端子:

CH系列智能数字显示温度控制器是具有自整定功能的智能型仪表。该系列温控仪的单片机为控制中心、采用SMT表面贴片技术、开关电源、双通道控制参数自整定算法、电磁兼容性设计等相关技术与工艺。
返回列表概述:
CH系列智能数字显示温度控制器是具有自整定功能的智能型仪表。该系列温控仪的单片机为控制中心、采用SMT表面贴片技术、开关电源、双通道控制参数自整定算法、电磁兼容性设计等相关技术与工艺。
特点:
(1) 采用大显示屏。
(2) 采用金属弹片的前插式装配结构,仪表互换方便。
(3) 采用SMT工艺,开关电源,双通道PID自整定算法、软硬件综合电磁兼容性设计等相关技术与工艺。
型谱:
控制面板:
接线端子:
